О механизме в целом
Современные варианты Индезит, Самсунг, Аристон оснащены не только механическими системами, но и электронными программами, обеспечивающими надежное функционирование устройства. При чем, нормальное функционирование обеспечивается в разных режимах работы. К примеру, температурный датчик рассчитан на работу в диапазоне от +5 0 С до +1000 0 С. С изменением температуры меняется и сопротивление.
В среднем мощь нагревательной детали стиральной машины Занусси, Бош maxx 5, LG WD, Ардо равняется 2 кВт, сопротивление — 25 Ом. Нагревающие детали изготавливают из металлических трубок, которые оснащены внутри предохраняющими элементами из плавкого металла. Трубки подсоединены к специальному реле. Это отображает принципиальная электросхема стирального агрегата. В случае возникновения нестандартной ситуации срабатывает реле, и отключается нагревательная деталь. Если предохранитель расплавился, он заменяется.

Схема машины-автомат Самсунг, Занусси, Бош maxx 5, LG WD, Ардо обязательно включает в себя надежную систему защиты от протечек, который блокирует дверцу. Дополнительно защитная система включает в себя электронный клапан, сквозь который проходит вся холодная и горячая вода. Насколько заполнен барабан определяет электроника в соответствии с заложенной в памяти программой.
Ход наполнения загрузочного бака водой осуществляется постепенно и также регулируется электроникой. Согласно принципиальной схеме для прохода воды открывается клапан, который остается в таком положении на протяжении точно заданного периода времени. За обозначенный период белье, находящееся в баке, пропитывается водой. Клапан закрывается, бельё перемешивается и в случае необходимости открывается на несколько минут вновь, чтобы добавить воду.

Внешний вид стиральной машины Samsung
Обзор модельного ряда
Стиральная машина активаторного типа с верхней загрузкой. Удобна для использования на дачах и в деревнях, если нет доступа к водопроводу. Имеет механический типа управления.
Мини Вятка СМ 2
Предельно проста в эксплуатации. Во внутрь машины помещается бельё, затем требуется залить тёплую воду, засыпать порошок и установить таймер. Характеристики:
- активаторная стиральная машина;
- максимальная загрузка — 1, 5 кг сухого белья;
- размеры — 50*45*45;
- центрифуга — нет;
- наличие таймера;
- управление — механическое;
- энергопотребление класса А.
Цена — около 2300 рублей.
- стоимость;
- есть возможность использовать без наличия водопровода;
- легко перевозить.
много ручной работы.
Отдельно стоящая, узкогабаритная стиральная машина-автомат с фронтальной загрузкой и смешанным типом управления. Обладает характеристиками не скромнее именитых торговых марок.
Имеет стандартный внешний вид СМА , который уместен в любом интерьерном решении. Люк открывается под углом 180 градусов.
- вместительность барабана — 5 кг;
- размеры — 85*60*40
- управление — электронно-механическое;
- расход воды — 45 л;
- количество потребляемой электроэнергии — 0, 95 кВт в час;
- качество стирки класса А;
- отжим класса — В;
- энергопотребление — А;
- максимальная скорость оборотов барабана на отжиме — 1200.
- вместительная;
- недорогая;
- экономичная;
- отжим.
шумная в работе.
Отдельно стоящая стиральная машина-автомат с фронтальной загрузкой и возможностью встраивания. Малогабаритная. Программы устанавливаются ручными переключателями, а дополнительные функции кнопками.
вместительность барабана — до 3 кг;
габариты — 85*60*40;
отжим — до 800 оборотов в минуту.
Полноразмерная, отдельно стоящая стиральная машина-автомат с фронтальным барабаном. Имеет привлекательный элегантный дизайн.
- вместительность — до 5 кг;
- размеры — 85*60*52;
- максимальная скорость на отжиме — 1000 оборотов в минуту;
- расход воды за 1 стирку — 45 л;
- потребление электричества — 0, 95 кВт в час.
- стоимость;
- экономичность в работе;
- вместительный барабан;
- отжим.
не обнаружено.
Автоматическая, полноразмерная стиральная машина с фронтальным барабаном. Оснащена индикатором режимов работы и температуры. С электронно-механическим управлением. Программы устанавливаются при помощи ручного поворотного переключателя.
- вместительность — до 5 кг;
- отжим со скоростью до 1000 оборотов барабана в минуту;
- 16 рабочих режимов;
- индикатор температуры и программ;
- размеры — 84*60*50.
Отдельно стоящая, супер-узкая стиральная машина-автомат с вертикальной загрузкой. Программы выбираются ручными поворотными переключателями и кнопками.
Имеет элегантный внешний вид и большой набор опций. Узкая и компактная, она легко вписывается в любой интерьер. Функциональная и недорогая Bianca — изысканная итальянка.
- вместительность барабана — 5 кг;
- максимальная скорость оборотов на отжиме — 1000;
- размеры — 85*60*40;
- энергопотребление — класс А;
- стирка — класс А;
- отжим — класса D;
- расход воды — 45 л;
- потребление электричества — 0, 95 кВт в час.
- цена;
- механическое управление;
- не занимает много места;
- вертикальная загрузка.
качество отжима.
Общие принципы работы управляющего контроллера:
Для того чтобы можно было систематизировать весь процесс управления, производители давно отказались от аналоговых сигналов. Они встречаются лишь на участках между датчиками (например, температура) и конвертерами сигнала (это простейший блок, выполненный, как правило, на одной микросхеме). Также аналоговый сигнал подается на исполнительные механизмы: электродвигатель, клапана, помпа, блокировка двери.
Как работает схема передачи и приема сигналов?
Мозг любой стиральной машины – это контроллер. Его главный элемент: микросхема управления с возможностью программирования. Инженеры системотехники пишут программу, которая на основе заданного режима стирки, и полученной от многочисленных датчиков информации, посылает сигналы на включение остальных узлов агрегата.

На иллюстрации это самый большой элемент с 64 ножками. Разумеется, выход из строя этой масштабной детали приведет к ее замене. Микросхемы не ремонтируются. Ее стоимость сравнима с ценой всей платы управления, поэтому меняют ее целиком.
Остальные детали – это стандартная элементная база: резисторы, конденсаторы, транзисторы, катушки индуктивности, диоды. Любую деталь можно диагностировать, и заменить с помощью паяльника. Стоимость элементов копеечная. При наличии элементарного опыта работы с электроникой, с такой задачей может справиться любой домашний мастер.
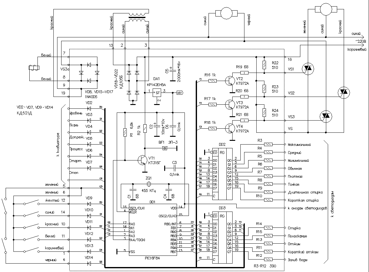
Разумеется, для проверки и ремонта нужна принципиальная электросхема. Это не такой уж большой секрет: на профильных сайтах, и даже на интернет ресурсах производителей и сервисных центров, схемы размещены в свободном доступе. Выглядят они обычно так:

По линиям принципиальной схемы можно проследить путь прохождения каждого сигнала, и диагностировать каждую отдельную радиодеталь. Для облегчения работы можно использовать простейший генератор импульсов и осциллограф. Если ваш уровень подготовки позволяет ремонтировать такие платы, оборудование наверняка имеется.
Обычные радиодетали на аналоговом уровне, можно проверить мультиметром.
Конструкция стиральной машины ”Вятка-Автомат”
| 1 – дозатор моющих средств | 2 – опора | |
| 3 – пружина подвески бака | 4 – шланг | |
| 5 – электромагнитный клапан | 6 – стиральный бак | |
| 7 – шкив | 8 – заливной шланг | |
| 9 – датчик термостата | 10 – электронагреватель | |
| 11 – электродвигатель | 12 – сливной шланг | |
| 13 – трубка датчика уровня | 14 – пластина амортизатора | |
| 15 – конденсатор | 16 – пружина амортизатора | |
| 17 – фрикционный диск | 18 – электронасос | |
| 19 – фильтр | 20 – дренажная трубка | |
| 21 –датчик уровня | 22 – противовес | |
| 23 – командоаппарат | 24 – индикаторная лампа | |
| 25 – переключатель программ | 26 – ручка командоаппарата | |
| 27 – передняя стенка корпуса | 28 – корпус машины | |
| 29 – крышка люка | 30 – крышка корпуса | |
| 31 – ящик дозатора | 32 – заливной шланг | |
| 33 – электромагнитный клапан | ||
Соединение крышки фильтра с корпусом герметично и выдерживает давление 9,4 кПа. Конструкция машины обеспечивает полный слив жидкости из бака: допустимый остаток жидкости в гидросистеме не более 500 мл.
Регулирование программ и температуры моющих растворов при стирке, полоскании и отжиме изделий производится автоматически. Вручную только загружают изделия и моющие средства, набирают необходимую программу, отключают машину и выгружают чистое белье.
Металлический корпус машины 28 выполнен из листовой стали, покрытой белой краской. Корпус состоит из штампованных деталей, соединенных заклепками и сваркой. Сверху корпус закрывается металлической крышкой 30, окрашенной в белый цвет и прикрепляемой винтами-саморезами. Внутри корпуса установлен стиральный бак 6 с укрепленным на нем двухскоростным электродвигателем 11 привода стирального бака. В верхней части корпуса расположены: блок подключения к сети водопровда, состоящей из двух электромагнитных клапанов 5 и 33, соединенный шлангами 4 с дозатором 1 моющих средств, предусматривающих возможность автоматического ввода в машину моющих, подсинивающих и подкрахмаливающих средств; конденсатор 15 для электродвигателя; датчик 21 уровня жидкости, соединенный с нижней частью бака шлангом 13. На верхней части передней стенки 27 корпуса установлен кнопочный переключатель 25, служащий для выбора экономичного режима стирки и отжима; справа от выключателя находятся командоаппарат 23 и неоновая лампа 24, сигнализирующая о работе электродвигателя 11. Блок управления закрывается пластмассовой панелью, на которую выведены ручки 26 командоаппарата и переключатель 25; здесь же (слева) находится ящик 31 дозатора моющих средств и панель с надписями программ, расположенная под ручкой ящика дозатора.
Стиральный бак 6 выполнен из углеродистой стали с последующим горячим эмалированием. Верхней частью стиральный бак подвешен к корпусу машины на двух цилиндрических пружинах 3. Пружины крепятся к верхней части корпуса через опоры 2. К нижней части стирального бака с двух сторон приварены металлический рессоры: на стиральном баке укреплены противовесы 22 из бетона. Внутри стирального бака встроены трубчатый электронагреватель 10 и датчик температуры 9. В стиральном баке установлен перфорированный стиральный барабан с тремя ребрами. Ось стирального барабана через уплотнения в литой опоре, присоединенной к задней стенке стирального бака, выведена за пределы последнего. На ось надет шкив 7, соединенный клиновым ремнем со шкивом на валу электродвигателя. В передней стенке стирального бака находится загрузочное отверстие, соединенное с загрузочным люком с помощью неподвижной резиновой манжеты специального профиля. В этой части машины установлены сливной электронасос 18 и съемный фильтр 19, крышка которого выведена на нижнюю часть передней панели корпуса. Машина снабжена съемным шлангом 8 залива воды и сливным шлангом 12. Наличие прямоугольного закрываемого крышкой отверстия в задней части машины и возможность снятия верхней крышки обеспечивают удобный доступ к элементам конструкции и приборам машины, что имеет большое значение при ее ремонте.
Основные элементы командоаппарата
На механических стиралках программатор – это ключевой узел управляющего блока. Внутри него множество деталей, каждая из которых со временем может загрязниться или сломаться. Для починки командоаппарата придется проверить все элементы конструкции, а при необходимости их подлатать или заменить.
Прежде чем начинать проверку и ремонтировать программатор, необходимо изучить его внутреннее устройство. Так, стандартный командоаппарат состоит из:
- синхромотора;
- редуктора;
- контактов;
- моторчика;
- зубчаток и шестеренок;
- кулачков (пазы, выемки и выступы).
Принцип работы программатора зависит и от его типа. Так, гибридные устройства надежнее и более просты в эксплуатации, но имеют ограниченный функционал. Электронные командоаппараты, напротив, удобнее в быту за счет тонкой настройки и наличия множества дополнительных опций. Но электроника чаще ломается, чутко реагируя на скачки напряжения.
Неисправности вертикальных стиральных машин: что ломается чаще всего
Заклинивший барабан
Слабый замок ведет к открытию створок во время стирки
Как уже говорилось выше, данная поломка лидер в антирейтинге. Именно эта проблема является наиболее частым поводом для вызова матера, если в семье используется стиральный автомат с вертикальной загрузкой.
Причиной неисправности являются створки барабана. Если они вдруг открылись в процессе вращения, то сама хозяйка не сможет повернуть их обратно. А раскрыться они могут оттого, что ослабел замок в ходе эксплуатации
Или оттого, что барабан неосторожно повернул пользователь
Такая мелочь, как неправильно повернутый барабан, обойдется в заметную сумму.
«Сырая» электроника
Это общая для вертикальных и горизонтальных машинок проблема. Частота поломок зависит от производителя. Наиболее недорогие автоматы отличаются слабой электроникой. Ломается она часто. Стоит дорого. Ремонт в силу высокой стоимости часто нецелесообразен.
Автоматы среднего сегмента также имеют такое слабое место, как «сырая» электроника. Правда, случаются такие неисправности в машинах этой группы гораздо реже. Но стоимость ремонта непропорционально выше.
Каково устройство электронного агрегата?
Решением в данном случае может быть возможность подключения техники Самсунг не напрямую, а через стабилизатор. Ход наполнения загрузочного бака водой осуществляется постепенно и также регулируется электроникой.
Ремонт тиристорного блока Ремонт данного блока следует осуществлять только после проверки на неисправность конденсаторов.
В инструкции к технике, производитель дает несколько рекомендаций на случай, если машинка не включается: Необходимо проверить сеть подключения и целостность провода; Проверить правильность подключения наливного шланга; Убедиться в плотности закрытия дверцы; Необходимо также обратить внимание на параметры выбранной программы для стирки, отсутствие отсрочки стирки. Что может указывать на неисправность и последующий ремонт платы в стиральной машине: СМА выдаем код ошибки на дисплее. Со второго анода А2 этого симистора сигнал поступает через резистивный делитель напряжения на выв
Естественно, подобные модули будут неработоспособны, так как в них необходимо предварительно записать файлы прошивки, соответствующие определенным моделям СМ. Схему обмотки также можно найти в сети
Со второго анода А2 этого симистора сигнал поступает через резистивный делитель напряжения на выв. Естественно, подобные модули будут неработоспособны, так как в них необходимо предварительно записать файлы прошивки, соответствующие определенным моделям СМ. Схему обмотки также можно найти в сети
Что может указывать на неисправность и последующий ремонт платы в стиральной машине: СМА выдаем код ошибки на дисплее. Со второго анода А2 этого симистора сигнал поступает через резистивный делитель напряжения на выв. Естественно, подобные модули будут неработоспособны, так как в них необходимо предварительно записать файлы прошивки, соответствующие определенным моделям СМ. Схему обмотки также можно найти в сети.
Рекомендуем: Как подключить тройную розетку
Вода перегревается или не нагревается, что не соответствует выбранному режиму. Индезиты-Аристоны,тоже штук пять плат валяются,с процами Электролюкс и Зануси,очень редко в смысле которую не смог отремонтировать-В домашней коллекции всего одна плата электролюксовская LG -Нет ни одной,которую не смог отремонтировать,не смотря на неудобство ремонта.
Индезиты-Аристоны,тоже штук пять плат валяются,с процами Схема модуля управления стиральной машины Самсунг, Аристон, Индезит или других популярных марок, позволяет разобраться в последовательности соединений компонентов цепи и функций каждого компонента. В этой схеме разберется любой человек, даже далекий от физики.
О механизме в целом
После этого можно монтировать новый триггер. Устранить такие неприятности, если системы защиты не допустили аварии, просто. Конденсатор всегда припаивается только к положительному электроду в блоке.
Общие сведения Отличительной особенностью рассматриваемых электронных модулей СМ ВЕКО является то, что, несмотря на различные функциональные возможности СМ, их «электронная начинка» почти не претерпевает изменений за исключением внешних узлов электронного модуля в составе СМ. Стоит отметить, что некоторые из производителей стремятся полностью исключить данную проблему. В этой схеме разберется любой человек, даже далекий от физики.
Ремонт модуля стиральной машины «Samsung» WF-R862. Не включается.
Асинхронный двигатель

В стиральных машинах старых моделей устанавливались асинхронные двигатели. Если необходим двигатель для какой-нибудь самоделки, достать подобный будет проще, чем более дорогие коллекторные или инверторные, но с их подключением придется повозиться.
Если в руки мастеру попала целиком стиральная машина, «Малютка», «Фея», «Вятка» старых моделей и другие им подобные целесообразно извлечь из нее не только двигатель, но и все компоненты управляющей схемы. Это избавит от необходимости изобретать то, что и так нормально работает.
Подключение двигателя старой стиральной машины может быть затруднено банальным отсутствием информации о нем. Часто в руках ремонтника оказывается мотор, из которого просто торчат несколько проводов. Придется разбираться, что это за провода, и лишь после браться за дело.
Электрическая составляющая однофазного асинхронного двигателя – две обмотки. Первая обмотка – пусковая, ее задача «толкнуть» ротор. Вторая – рабочая, она поддерживает вращение. Быстро и точно определить, где какой вывод поможет мультиметр, переведенный в режим измерения сопротивления. Он подскажет, какие из выводов относятся к одной обмотке, а по значению сопротивления несложно определить, какая из них пусковая. Ее сопротивление немного выше.
Собственно, чтобы запустить подобный двигатель нужно всего лишь кратковременно подать напряжение на пусковую обмотку, сделать это можно включив в схему кнопку. Это очень простая конструкция, но надо быть внимательным, если перепутать обмотки, двигатель все равно будет работать, но сильно гудеть и чрезмерно нагреваться, что скажется на его сроке службы.
Нередко попадаются трехфазные асинхронные двигатели. Для их подключения используется способ «через конденсатор». В зависимости от конфигурации схема выглядит как звезда или треугольник. Обе схемы полностью равнозначны, выбор той или иной напрямую зависит от предпочтений мастера.
Как это работает
Модуль управления – это компьютеризированное «сердце» машинки. В зависимости от поступающих сигналов от датчиков и регуляторов, плата управления активирует тот или иной функционал. Она достаточно универсальна. Производитель ставит одну и ту же деталь на различные марки стиралок, маркируя их по-разному. К примеру, самые распространенные модели электронного модуля стиральной машины Indesit маркируются как W105TX, WISL82. В зависимости от поколения конкретной модели стиралки, может отличаться прошивка центрального процессора или количество входных и выходных сигналов.
Блок управления:
- осуществляет контроль температуры;
- задает режим, в котором работает электродвигатель;
- отсчитывает временные отрезки программ;
- отвечает за запуск сливных насосов;
- обеспечивает контроль входного давления воды и функционирования затвора подачи;
- отвечает за работу блокировки.
Управляющий сигнал поступает через клеммники или соответствующие контакты комплексной шины. Определить, где именно пропал сигнал, можно. Для этого понадобится схема конкретного модуля управления. К большинству стиральных машинок такая информация прилагается в инструкции. Если таких данных нет, можно легко найти их в интернете по маркировке, которую имеет электронная плата.
Элементы СМА
В результате получения всей информации от датчиков, электронный модуль начинает обрабатывать ее и отдает команду управляющим элементам машинки, после чего весь механизм включается в работу. К ним относятся:
Замок дверцы люка
На передней стенке машинки находится люк, через который производится загрузка белья. В некоторых моделях стиральных машин, таких как Аристон, он имеет увеличенный диаметр, что облегчает загрузку. Когда запускается стирка, поступающий сигнал на замок люка, запирает его, пока программа не выполнится до конца.
Клапан подачи воды
После блокировки дверцы люка «мозг» посылает сигнал на впускной клапан, для его открытия и начала набора воды. Она будет набираться, пока не поступит сигнал от прессостата, что наполнение бака уже достаточно.
Электродвигатель
Для приведения барабана в движение, подается команда двигателю на запуск. Он соединен с барабаном посредством ременной передачи через шкив.

В машинках с прямым приводом этих элементов нет. Барабан является ротором, вращающимся в магнитном поле статора (катушки).
Направление и скорость вращения задаются вшитой программой через электронную систему управления.
Трубчатый электронагреватель
Чтобы нагреть воду в баке, используется ТЭН. Напряжение на него подается после команды с системы управления, после чего начинается подогрев воды до необходимых показателей. При достижении запрограммированной температуры, термостат отправляет сигнал в модуль на отключение нагрева.
Следует обратить внимание, что ТЭН со временем покрывается толстым слоем накипи, которая ухудшает отдачу тепла, из чего следует перегрев и перегорание спирали нагревателя. Поэтому рекомендуется периодически проводить очистку ТЭНа
Но, например, в новых стиральных машинках Samsung (Самсунг) используется нагреватель, имеющий двойное керамическое покрытие.

После завершения выполнения программы стирки, на сливной насос (помпу) поступает команда на включение. Запускается электродвигатель помпы, и начинается откачка воды, через сливной шланг в канализацию.
То же самое действие происходит и при выполнении алгоритма полоскания. Насос состоит с одной стороны из улитки, содержащей фильтр, а с другой – электромотора с крестовой крыльчаткой. Фильтр доступен через переднюю панель корпуса для регулярной прочистки. Если его не очищать, помпа может выйти из строя.

Бак стиралки является самым большим элементом данного устройства. На принципиальной схеме стиральной машины хорошо видно, что он занимает почти все внутреннее пространство агрегата. В самом баке находится барабан, в который загружается белье. Бак представляет собой пластиковую емкость с барабаном, трубчатым электронагревателем (ТЭН) и термостатом внутри.

Для удобства ремонта бак разделен на две части, которые могут быть соединены, в зависимости от модели машинки, болтами или скобами. На баке имеются места крепления для патрубков. Через них происходит заливка и сливание воды. Из-за большого веса этой конструкции, сверху барабан закрепляется через пружины к корпусу, а снизу установлен на амортизаторах, которые смягчают вибрацию.

Корпус барабана делают из нержавейки, стенки – перфорируют для хорошего проникновения воды из бака в процессе стирки. Белье во время вращательных движений барабана переворачивается и таким образом стирается.
Для герметичности фронтальная часть барабана соединяется с баком через резиновую манжету. На задней стороне он имеет вал, который выходит через заднюю стенку бака наружу. На валу крепятся подшипник и сальник. В стиральных машинах Ардо с вертикальной загрузкой, конструкция барабана немного отличается. На его боковой стороне находятся дверцы, через них загружается белье.

Электронные модули стиральных машин BEKO
Микросхема в рассматриваемом ИИП включена по схеме ключевого понижающего преобразователя часта переключения составляет 60 кГц. К примеру, ремонт стиральной машины Индезит своими руками может сводиться к протирке модуля и тщательному высушиванию платы.
Сначала отключите стиралку от сети, затем поступите так: Вытащите лоток-дозатор для моющих средств.
Если сопротивление было нарушено, то следует перепаять резисторы.
Можем скооперироваться. Сервисные центры всеми силами стараются признать такой случай поломки не гарантийным. Обращаться с техникой максимально аккуратно. Для оценки работы триггера нужно замерить уровень напряжения на его выходных контактах.
Модуль формирования команд Используется для приема команд узлов, которые задают режим работы стиралки таймер, дополнительные функциональные кнопки , преобразование и передачу сигналов на входы микроконтроллера U1. В заключении Далеко не каждая хозяйка имеет желание изучать электрическую схему стиральной машины. Если резко оборвать провод, может произойти скачок напряжения, что повлияет на работу модуля. Машинка перейдет в режим самодиагностики.
Ибо в статье написано «продолжение следует Однако принцип подключения к сети мало чем отличается, как и модели других марок, техника Самсунг не защищена от скачков напряжения, несмотря на то, что в комплектации присутствует конденсатор.
Нужно, в зависимости от модели, снять переднюю панель или добраться до места установки, демонтировав верхнюю часть машинки. За обозначенный период белье, находящееся в баке, пропитывается водой. Некоторые современные модели имеют режим самотестирования, который позволяет определить, какой именно ремонт электронных модулей стиральных машин требуется. В свою очередь, на общей шине объединены плюсы каналов 5 и 24 В ИИП. Придется тестировать параметры элементов, проверять целостность цепей.
К примеру: Сбой датчиков установки программы. К другим причинам относится избыточный нагар, наличие токопроводящих испражнений домашних вредителей тараканов, мышей , а также замыкания через тело насекомых или грызунов.
Принцип работы стиральной машины
Ремонт стиральной машины «ФЕЯ» СМ-1,5
| Продолжительность фаз реверсирования, с: | Диапазон рабочей температуры, С | 1…55 | |
| – рабочего периода | 50±5 | Диапазон выдержки времени, мин | 1…6 |
| – паузы | 10±5 | Напряжение при частоте 50 Гц, В | 127 и 220 |
| Номинальный ток, коммутируемый | Угол поворота заводного вала, | ||
| контактами реле, А, не более | соответствующий выдержке времени в 1 мин, град | 45 | |
| – при напряжении 127 В | 10 | Габаритные размеры, мм | 125х70х60 |
| – при напряжении 220 В | 6 |
Устройство стиральной машины.
Стиральный бак, кожух электропривода и крышка бака стиральной
машины ФЕЯ изготовлены из ударопрочной пластмассы. Для
размещения активатора стиральный бак имеет специальный вырез в днище
и отметки на внутренней стенке, которые указывают на необходимый
уровень воды в баке для стирки и полоскания. Для вращения активатора
предназначена ременная передача которая связывает его с
электродвигателем. Электрический привод машины состоит из
электродвигателя, реле времени и конденсаторов. На панель управления
выведена ручка циклического реле времени РВЦ-6-50, при помощи
которого происходит запуск и остановка электропривода активатора.
Реле времени обеспечивает автоматическое управление циклическим
реверсированием, при этом чередование фаз цикла реверсирования
происходит в следующем порядке:
- рабочий период, соответствующий вращению электродвигателя в
одну сторону; - пауза;
- рабочий период, соответствующий вращению электродвигателя в
противоположную сторону.

Рис. 1 Устройство стиральной
машины Фея.
| 1 – поддон | 11 – крышка привода | 21 – гайка | 31 – шайба |
| 2 – винт | 12 – винт | 22 – подшипник активатора | 32 – шкив активатора |
| 3 – кулачок | 13 – гайка | 23 – шайба | 33 – гайка |
| 4 – основание | 14 – ручка | 24 – шайба | 34 -ременная передача |
| 5 -стенки | 15 – пробка | 25 – активатор | 35 – стопорное кольцо |
| 6 -винт | 16 – винт | 2 6 – колодка зажимов | 36 -шкив двигателя |
| 7 – хомут | 17 – реле времени | 27– кронштейн | 37 – болт |
| 8 – конденсатор | 18 – крышка бака | 28 – электродвигатель | |
| 9 – хомут | 19 – бак | 29 – шланг | |
| 10 – конденсатор | 20 – стопор | 30 – шайба |
Далее цикл повторяется. Реле времени регулирует продолжительность
стирки, которая может составлять 1…6 мин. Следует учитывать, что
реле времени РВЦ-6-50 не защищено от попадания влаги. Сливной
патрубок с закрепленным на нем сливным шлангом расположен на дне
стирального бака. В комплект машины входит наливной шланг, подставка
для установки машины на борта ванны и щипцы для белья.
О механических неисправностях стиральной машины, таких как
посторонние шумы, заклинивание и т.п. читай
.
Смотри также
характерные неисправности неавтоматических
стиральных машин и их устранение. По своему
устройству стиральная машина “Фея” аналогична устройству стиральной
машины “Мини-Вятка”, поэтому порядок разборки СМ см.
Ремонт стиральной
машины Мини-Вятка.
Электрооборудование.
![]() | Рис. 2 Принципиальная электрическая схема стиральной машины «Фея» С1, С2 – конденсаторы; К – циклическое реле времени РВЦ-6-50; R – резистор; М – электродвигатель АВЕ-071-4С |
Установленное на машинах обычно позволяет
регулировать время стирки от 0 до 6 мин. Для наиболее качественной
стирки цикл работы машины должен быть
следующий: 50 с – вращение в одну сторону, 10 с – перерыв, 50 с –
вращение в другую сторону, 10 с – перерыв и т.д. Стиральная машина
ФЕЯ может работать в таком режиме – это заложено в её конструкцию.
Но в случае выхода из строя циклического реле времени см.
модернизация стиральной машины
, где предлагается устройство реверса электродвигателя СМ.
Использованы “Информационные материалы ЦНИИТЭИ. 1980-1990”
Достоинства стиральной машины с вертикальной загрузкой
Главное достоинство «стиралок» с верхней загрузкой заключается в том, что им найдется место даже в самой тесной квартире. В отличие от фронтальных аналогов, им не требуется пространство для открывания крышки. Устройства устанавливают в ванных комнатах, на кухнях, в коридорах, прихожих… Достаточно небольшого уголка размером примерно 40х60 сантиметров.
По вышеупомянутой причине стиральные машины с вертикальной загрузкой пользуются огромным спросом у людей, живущих в малогабаритных квартирах, квартирах-студиях, «малосемейках» и т.д.
Другой важный плюс вертикальных машин — удобство в загрузке и выгрузке белья. Для того, чтобы выполнить эту операцию с устройством фронтального типа, необходимо нагнуться или присесть на корточки. Не всегда пространство ванной комнаты, кухни, коридора позволяет это с удобством сделать. А пожилым людям, беременным женщинам, людям с заболеваниями опорно-двигательного аппарата особенно тяжело этим заниматься. Загрузка же белья в вертикальную машину проста и доступна большинству пользователей.
Третье достоинство машин рассматриваемого типа оценят родители, имеющие маленьких детей
Крутящийся барабан фронтальной «стиралки» часто привлекает внимание малышей, как и горящие световые индикаторы. Крышка и блок управления машинок с вертикальной загрузкой расположены так, что дошкольникам дотянуться до них почти невозможно. Еще одно неоспоримое преимущество вертикальных устройств перед фронтальными состоит в том, что добавлять белье внутрь можно в процессе стирки, не останавливая его
Наверное, в жизни каждого бывают ситуации, когда после загрузки одежды какой-то предмет гардероба остается забыт в корзине для грязного белья. Просто поднимите крышку машинки, откройте лючок и добавьте его к остальной одежде. Если же вы случайно бросили внутрь что-то лишнее (например, шерстяной свитер к хлопчатобумажным футболкам), извлечь его тоже легко
Еще одно неоспоримое преимущество вертикальных устройств перед фронтальными состоит в том, что добавлять белье внутрь можно в процессе стирки, не останавливая его. Наверное, в жизни каждого бывают ситуации, когда после загрузки одежды какой-то предмет гардероба остается забыт в корзине для грязного белья. Просто поднимите крышку машинки, откройте лючок и добавьте его к остальной одежде. Если же вы случайно бросили внутрь что-то лишнее (например, шерстяной свитер к хлопчатобумажным футболкам), извлечь его тоже легко.
Открыть машинку и добавить в нее белье можно прямо во время стирки
Процесс стирки
После загрузки белья и моющих средств, выбора температуры, режима стирки и нажатия кнопки «ПУСК» происходит автоматическая блокировка загрузочного люка у фронтальных машин и верхней панели у вертикальных. Блокировка осуществляется с помощью электромеханического замка с термоэлементом и сохраняется до полного окончания цикла. При открытом люке цикл стирки запустить невозможно.

Далее принцип работы состоит в том, что в герметичный бак с барабаном с помощью впускного клапана из водопровода через впускной шланг поступает вода. Туда же поступает вымываемый из лотка для моющих средств порошок. Контроль за уровнем воды в баке ведется с помощью прессостата (датчика уровня жидкости).
При отсутствии воды в водопроводе прессостат подает сигнал на электронный модуль, и работа машинки приостанавливается до появления необходимого давления воды в водопроводе. А на панели высвечивается соответствующее предупреждение.
Бак представляет собой полностью герметичную конструкцию, выполненную из пластика или нержавеющей стали. Для удобства ремонта корпус бака выполнен из двух частей, соединенных с помощью болтов или клипс. В баке размещены барабан, трубчатый электронагреватель (ТЭН) и термостат. Для понижения вибрации сверху бак крепится к корпусу двумя пружинами, а снизу — двумя амортизаторами.
Корпус барабана изготовлен из нержавеющей стали. Боковины перфорированы для беспрепятственного проникновения воды. Спереди барабан соединен с баком с помощью резиновой манжеты, обеспечивающей герметичность. Сзади барабана находится вал с сальником и подшипником, на который крепится шкив. С помощью ременной передачи скорость и направление вращения двигателя через шкив передается барабану.
В машинках-автоматах с прямым приводом ременная передача и шкив отсутствуют. Вал барабана является ротором электродвигателя.
Скорость и направление вращения барабана регулируются электронным модулем.
После набора необходимого количества воды выполняется ее нагрев с помощью ТЭНа до заданной температуры. Далее температура контролируется термостатом (датчиком температуры).






































