Описание электрощита

Устройство защитного отключения
Устройство представляет собой удобную и функциональную панель, внутри которой находится специальное электрическое оборудование. Благодаря его работе осуществляется прием и распределение тока. Производят оборудование из материалов, устойчивых к механическим и термическим воздействиям. Электрощиток оснащен дверцей, которую необходимо всегда запирать. При выходе из гаража устройство можно с легкостью обесточить. Также в состав прибора входят такие детали:
- Электрический сертифицированный счетчик, на котором зафиксированы результаты проверки в организации Энергосбыта.
- Монтажный ящик и коммутационная панель, а также металлические крепежные планки, расположенные в несколько рядов.
- Прибор УЗО, выполняющий защитную функцию. Оберегает человека и технику от утечки и стока токов по мостикам с хорошей проводимостью.
- Однофазные пакетники, способные автоматически разорвать цепь при выявлении КЗ.
Речь идет об электрическом устройстве, которое питает напряжение в 220 Вт. Подвод и обустройство трехфазной цепи должно осуществляться только сотрудниками РЭС, по предварительно согласованному проекту.
Короба для прибора учёта
Учитывая характер эксплуатации электросчётчика, важно обеспечить его надёжную защиту. Это обеспечивается использованием специального короба. Такие боксы маркируются следующим образом, в зависимости от разновидности:
Такие боксы маркируются следующим образом, в зависимости от разновидности:
- ЩУ – наиболее простая модель,
ЩУ и ЩВР
- ЩВР – короб, заглубляемый в стену,
- ЩРН – навесной распределительный бокс.
ЩРН
Кроме самого счётчика, внутрь бокса могут помещаться защитный автомат, заземляющие и нулевые шины.
Короб может предусматривать следующую конструкцию:
- напольную;
- встраиваемую;
- накладную (навесную);
- скрытую или открытую;
- цельную или разборную.
Выбор должен определяться типом прибора и разработанным проектом установки. Для этого владельцу необходимо воспользоваться помощью соответствующих специалистов.
Как правильно выбрать ящик для электросчётчика.
Важное условие установки
Счетчики меняют по различным причинам. Главное, обеспечить своевременную замену и установки нового прибора. Он выполняет не только функции учета – с его помощью обеспечивается безопасность энергопотребления.
Вот по каким поводам надо приступать к замене счетчика.
- Срок поверки уже закончился (он составляет 16 лет).
- Старое устройство испорчено.
- Класс точности ниже допустимого.
- Мощность потребления увеличилась, а счетчик на нее уже не рассчитан.
- Энергопотребление приходится разделять между разными пользователями. Такое возможно в гараже на несколько машиномест.
- Возникла необходимость использования двух тарифной схемы электроснабжения.
- Надо перенести прибор учета в другое место.
Иногда принимается решение об учете израсходованной энергии на разных установках, оборудовании в мастерской гаража.

Расположение клемм
Элементарное решение для установки счетчика – прямое подключение. Когда мощность тока небольшая, вполне допустимо собирать электрическую схему без трансформатора тока. Но помните, что при использовании мощного оборудования вам все-таки нужно использовать трансформатор для устранения риска короткого замыкания.
Сейчас нужно остановиться на важном моменте. Обязательно запомните: независимо от выбранной из широчайшего спектра модели электросчетчика, вам необходимо располагать клеммы на панелях единообразно
Если вы начнете готовиться к подключению проводов своими руками, то следует предварительно изучить схему, которая имеется на крышке клеммной разводки, с обратной стороны. Таким образом обеспечивается гарантия производителя: все провода должны быть точно подсоединены.
Выбираем счетчик для гаража
От правильно подобранного прибора учета и другого оборудования зависит безопасная эксплуатация электрооборудования в боксе. Выбор счетчика в гараж зависит от следующих условий:
- Какое электрооборудование предполагается использовать;
- На какое напряжение оно рассчитано — однофазное или трехфазное. Имеется ли в обществе возможность подведения трехфазного напряжения;
- Рассчитывается мощность установленного оборудования.
Собственник должен определиться с видом прибора. Предпочтение отдается недорогим однотарифным устройствам. Владельцы гаражей редко сидят там в вечернее и ночное время. Поэтому нет необходимости приобретать дорогие многотарифные счетчики.

Тип
Промышленностью выпускается несколько типов электросчетчиков для учета электроэнергии. Они подразделяются не только по видам крепления, условиям эксплуатации,но и конструктивно.
До недавнего времени выпускались индукционные приборы. Они простые и недорогие. Могут работать при низких температурах. Но при этом имеют высокую погрешность измерения.
Электронные устройства позволяют контролировать потребляемое электричество с небольшими погрешностями.Но не все производители выпускают приборы, работающие при низких температурах.
Трехфазные счетчики применяются при наличии трехфазного оборудования и возможности его подключения к гаражу. Прибор выбирают с учетом потребляемого тока и одновременной работы оборудования. От этого зависит надежность и долговечность прибора учета.
Конструкция
Индукционнный
Индукционный счетчик представляет собой две катушки. Одна токовая, а ко второй подводится напряжение. Между ними имеется зазор. В зазоре расположен алюминиевый диск, закрепленный в подшипниках скольжения. На оси диска смонтирована червячная пара, соединенная с механическим счетчиком.
При подключении нагрузки возникают вихревые токи, которые заставляют вращаться алюминиевый диск. Вращение передается на механический счетчик, который подсчитывает количество потребленного электричества.
Электросчетчик отличается простотой конструкции, надежностью и долговечностью. К недостаткам можно отнести большую погрешность измерения — до 2%.

Электронный
Современные электронные приборы используют преобразование аналоговых сигналов в цифровые. Для этого применяются специальные датчики импульсов. Они с помощью трансформаторов подключаются к электросети.
Цифровой сигнал поступает на микроконтроллер, который производит подсчет потребленного электричества. Данные отображаются на цифровом дисплее. Такие приборы имеют высокий класс точности 0,5%. Позволяют накапливать и передавать данные по специальным каналам связи.
Трехфазные электросчетчики имеют аналогичное устройство. Наибольшее распространение получили электронные приборы. Они надежны, имеют небольшие размеры, интегрируются в автоматизированные системы учета, некоторые модели могут поддерживать однофазный учет.

От каких факторов зависит выбор счетчика
Выбор электросчетчика следует начать с типа устройства. Изучить инструкцию и подобрать необходимую модель.
После чего выбирают подходящий счетчик в гараж по параметрам:
Рассчитывают максимальный ток потребления. Обычно достаточно 10-50 А. Если предполагается установка металлорежущего станка и другого энергоемкого оборудования, то электросчетчик должен выдерживать нагрузку в 100 А. Но прежде чем монтировать такое оборудование, рекомендуется уточнить параметры подводящей сети. Эту информацию можно получить в электросетях, обслуживающих ГСК; Установка металлорежущего оборудования предполагает подведение трехфазного питания. Поэтому в правлении кооператива уточняют возможность подведения необходимой линии; Определяются с характеристиками прибора, подбирают подходящий тип. От дополнительных опций зависит стоимость устройства. На надежность и долговечность цена не влияет. Не стоит в гараж приобретать многотарифные приборы, которые имеют дополнительные опции
Они при эксплуатации гаража, скорее всего, не пригодятся; При замене вышедшего из строя счетчика на новый обращают внимание на требования к монтажу. Не каждый счетчик можно смонтировать на ДИН рейку; Для того чтобы определить, какой счетчик электроэнергии лучше поставить, учитывают класс точности прибора. Он не должен превышать 2%
В противном случае его не примут в эксплуатацию контролирующие органы
Он не должен превышать 2%. В противном случае его не примут в эксплуатацию контролирующие органы.
Важное условие установки
Счетчики меняют по различным причинам. Главное, обеспечить своевременную замену и установки нового прибора. Он выполняет не только функции учета – с его помощью обеспечивается безопасность энергопотребления.
Вот по каким поводам надо приступать к замене счетчика.
- Срок поверки уже закончился (он составляет 16 лет).
- Старое устройство испорчено.
- Класс точности ниже допустимого.
- Мощность потребления увеличилась, а счетчик на нее уже не рассчитан.
- Энергопотребление приходится разделять между разными пользователями. Такое возможно в гараже на несколько машиномест.
- Возникла необходимость использования двух тарифной схемы электроснабжения.
- Надо перенести прибор учета в другое место.
Иногда принимается решение об учете израсходованной энергии на разных установках, оборудовании в мастерской гаража.

Расположение клемм
Элементарное решение для установки счетчика – прямое подключение. Когда мощность тока небольшая, вполне допустимо собирать электрическую схему без трансформатора тока. Но помните, что при использовании мощного оборудования вам все-таки нужно использовать трансформатор для устранения риска короткого замыкания.
Сейчас нужно остановиться на важном моменте. Обязательно запомните: независимо от выбранной из широчайшего спектра модели электросчетчика, вам необходимо располагать клеммы на панелях единообразно
Если вы начнете готовиться к подключению проводов своими руками, то следует предварительно изучить схему, которая имеется на крышке клеммной разводки, с обратной стороны. Таким образом обеспечивается гарантия производителя: все провода должны быть точно подсоединены.
Устройство автомата
Чаще всего автомат представляет собой конструкцию из следующих элементов:
- Рукоятка взвода. Она позволяет включить устройство или же отключить при необходимости монтажа.
- Включающий механизм.
- Контакты. Соединяют и разрывают общую цепочку.
- Зажимы. Используются для подключения к защитному устройству.
- Механизмы, работающие по условию. Сюда относится биметаллическая платина теплового расцепителя. В некоторых конструкциях присутствует винт регулировки, с помощью которого можно скорректировать силу тока.
- Дугогасительная камера. Располагается в любом полюсе прибора.
В зависимости от назначения, автоматы оснащают дополнительными элементами
Как устроен механизм отключения
В автомате присутствует особый механизм, который способствует разрыву цепочки при повышении силы тока.
Существуют различные принципы функционирования подобных устройств:
- Электромагнитные. Отличительной особенностью является стремительное срабатывание при наличии замыкания. При резком повышении силы тока в действие приводится катушка, сердечник которой и размыкает цепочку.
- Тепловые. Здесь основным элементом является биметаллическая пластинка, которая при повышении температуры меняет форму, выгибается в обратную сторону, за счет чего размыкает цепочку.
Электромагнитные устройства
По аналогичному принципу функционируют электрочайники, из-за чего происходит их отключение при закипании воды. Для разрыва цепи используют и полупроводниковые устройства, но они редко применяются в сетях.
Маркировки на автоматах
Все модели автоматов имеют различные обозначения, по которым их можно идентифицировать. Обычно, большинство производителей предпочитают выпускать такие конструкции, которые могут использоваться в различных условиях и отраслях.
Для того, чтобы исключить ошибки во время подключения, следует разобраться с маркировками на корпусной части:
- Логотип. Чаще всего в верхней части автомата можно обнаружить логотип копании производителя. Кроме того, все бренды выпускают изделия определенной цветовой гаммы. Это значит, что рядовому пользователю не составит труда отыскать нужный вариант.
- Окно индикатора. Определяет состояние контактов на данный момент. При поломке выключателя в этом окне можно увидеть напряжение в сети или его отсутствие.
- Тип устройства. В стандартных сетях обычно используют автоматы типов C и B. Между собой они отличаются коэффициентом чувствительности.
- Номинальный ток. Здесь показывается максимальное значение силы тока. Часто указывают два значения – для однофазной и трехфазной сети.
- Предельно допустимый ток выключения. Обозначает предел напряжения при замыкании, из-за которого автомат выключается, но при этом остается исправным.
- Схема. Иногда на автомате можно встретить даже чертеж подсоединения контактов, который находится в боковой части.
Расположение маркировки
Конструктивные особенности
Разные типы счетчиков отличаются между собой конструктивно. Механический прибор представляет собой две катушки: одна токовая, а ко второй подводится напряжение. Внутри них расположен металлический диск, закрепленный в подшипниках скольжения. На его оси смонтирована червячная пара, которая соединяется с механическим счетчиком. При работе устройства возникает электромагнитное поле, которое заставляет вращаться диск, за счет чего происходит подсчет потребляемого количества электричества.

В электронных приборах механической части вообще нет. Данные устройства превращают аналоговые сигналы в цифровые. Для этого используются специальные датчики импульсов, которые с помощью трансформатора подключаются к электричеству. Сигнал поступает на микроконтроллер, что позволяет рассчитать затраченную электроэнергию. Эти данные отображаются на цифровом дисплее. Такие устройства имеют высокий класс точности и позволяют накапливать и передавать информацию по специальным каналам связи.

Трехфазные счетчики имеют аналогичное устройство. Самыми популярными приборами считаются электронные. Некоторые модели поддерживают однофазный учет. Они надежны, интегрируются в автоматизированные системы учета, имеют небольшие размеры.
Виды
Выпускаемые электросчётчики различаются по нескольким критериям. Это распространяется и на приборы учёта, приобретаемые для установки в гараже. Рассмотрим детальнее разновидности таких аппаратов.
По количеству фаз
По числу фаз, счётчики бывают:
- однофазными – когда подключается по одному фазному и нулевому проводам;
- трёхфазными – при одном нулевом проводе присутствует 3 фазных.

Трёхфазные приборы работают на напряжении величиной 380 В и предусматривают возможность использования станочного и сварочного оборудования, хотя и при однофазном счётчике их тоже можно использовать, если у вас все рассчитано правильно.
По числу тарифов
По данному показателю выпускаются аппараты:
- однотарифные,
- двухтарифные,
- многотарифные – учитывающие показания при нескольких тарифах.

Многотарифные приборы программируются таким образом, что показания суммируются отдельно для времени действия определённого тарифа. Это позволяет владельцу сэкономить, перенеся использование энергоёмкого оборудование на период времени, когда действует более дешёвый тариф.
По принципу работы
По принципу работы, потребитель может отдать предпочтение аппарату следующего типа:
- индукционного – устаревшая, но более простая модель, принцип действия которой основан на вращении диска за счёт воздействия электромагнитного поля потребляемой энергии, с отсчётом показаний посредством масштабирующего редуктора;
- электронного – современные модели, преобразующие поток энергии за счёт схемы печатной платы и выводящей данные на жидкокристаллический дисплей;
- гибридного – совмещение двух вышеуказанных видов приборов, где вращение диска преобразуется в отчётные данные электронной схемой.

Первые из указанных счётчиков предусматривают учёт по одному тарифу. Электронные позволяют, наряду с многотарифным измерением, выполнение многочисленных дополнительных опций по контролю показателей сети, хранению данных и прочих функций.
По способу подключения
Счётчики могут предусматривать следующие способы подключения:
- непосредственное – когда провода подключаются непосредственно к прибору, согласно паспортной схеме;
- трансформаторное – с использованием дополнительных трансформаторов, через которые подсоединяется счётчик к сети.
Обычно через трансформатор подключаются трёхфазные приборы.
Правила Установки Электросчетчика В Гараже 2020
А если ваш гараж отдельно стоящий (не в составе кооператива) или кооператив давно развалился или кооператива не когда не было. Как тогда подключиться к живительному свету? А без света в гараже очень плохо. Гараж кажется темным не приятным, каким то холодным, отталкивающим. По вечерам в потемках ставить машину очень не удобно. Все время светишь себе телефоном и маленьким фонариком, не чего не видно за все цепляешься и не чего не можешь найти.
В первую очередь нужно нужно собрать пакет документов для получения технических условий. Сдать их в электросети. Принимают они документы три раза в неделю по три часа, в не самое удобное время. Как и в любой крупной государственной организации, очереди и не разбери-ха..
Нюансы
Выбор и установка электросчётчика в гараже должны производиться с учётом следующих нюансов:
- общей токовой нагрузки – обычно её значение составляет в пределах 50 А, если предполагается использование мощного оборудования, необходимо выбрать изделие с большей характеристикой;
- вида сети – одно- или трёхфазной;
- способа крепления – в зависимости от этого, подбирается короб;
- количества тарифов – определяет выбор вида прибора;
- класса точности – обычно в пределах от 1,5 до 2.
Владельцу необходимо убедиться, что аппарат сопровождается необходимой паспортной документацией, качество изделия подтверждается соответствующим сертификатом. Необходимо приобрести требуемое дополнительное оборудование.
Правильно выбранный и установленный прибор учёта обеспечит нормальную эксплуатацию оборудования, подключённого в гараже, и избавит собственника от проблем с поставщиком ресурсов.
Как подключить счётчик
На следующем этапе подключается счётчик. Для этого необходимо предварительно отключить подачу тока, чтобы подключение осуществлялось с соблюдением мер безопасности. Рассмотрим возможные схемы подключения, в зависимости от разновидности счётчика.

Однофазный
Ниже приведена типичная схема подключения однофазного прибора учёта:

На приведённой схеме фазный провод, подключаемый через автоматический выключатель, обозначен красным цветом, а нулевой – синим.
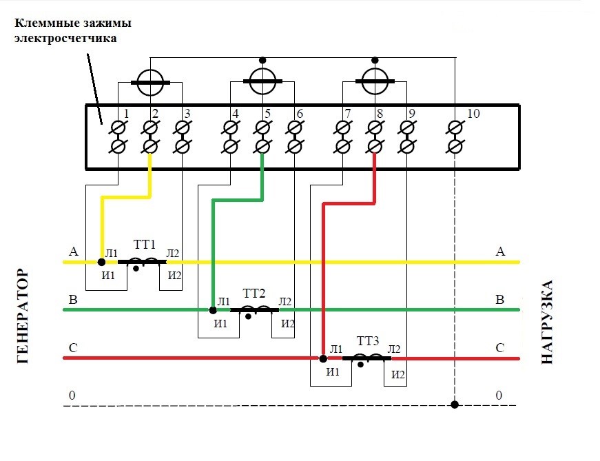
Трёхфазный
Трёхфазный прибор может предусматривать непосредственное и трансформаторное подключение.
При непосредственном подключении применяется следующая схема:

Здесь также не представляет труда разобраться в расположении контактов по каждой из фаз и нулевому проводу.
Одна из возможных схем трансформаторного подключения:

Прибор должен подключаться по схеме, изображённой на крышке клеммной коробки или в паспорте аппарата. В противном случае, её можно отыскать в интернете по модели счётчика.
Короба для прибора учёта
Учитывая характер эксплуатации электросчётчика, важно обеспечить его надёжную защиту. Это обеспечивается использованием специального короба. Такие боксы маркируются следующим образом, в зависимости от разновидности:
Такие боксы маркируются следующим образом, в зависимости от разновидности:
Такие боксы маркируются следующим образом, в зависимости от разновидности:
- ЩУ – наиболее простая модель,
ЩУ и ЩВР
- ЩВР – короб, заглубляемый в стену,
- ЩРН – навесной распределительный бокс.
ЩРН
Кроме самого счётчика, внутрь бокса могут помещаться защитный автомат, заземляющие и нулевые шины.
Короб может предусматривать следующую конструкцию:
- напольную;
- встраиваемую;
- накладную (навесную);
- скрытую или открытую;
- цельную или разборную.
Выбор должен определяться типом прибора и разработанным проектом установки. Для этого владельцу необходимо воспользоваться помощью соответствующих специалистов.
Как правильно выбрать ящик для электросчётчика.
Подготовка гаража для подключения
Перед подключением электросчетчика и автоматов в гараже на 220 В необходимо провести ряд работ по подготовке помещения
Важно следовать определенным правилам и нормам безопасности, чтобы обеспечить надежное и безопасное функционирование электрооборудования. Вот несколько рекомендаций по подготовке гаража для подключения
1. Проверьте состояние электросети в гараже: прежде чем приступить к подключению электросчетчика и автоматов, необходимо убедиться в исправности и надежности электросети в гараже. Проведите осмотр проводки, розеток, выключателей и других элементов электрооборудования. Если обнаружите повреждения или неправильное подключение, обратитесь к специалистам.
2. Подберите необходимое оборудование: перед подключением электросчетчика и автоматов, определитесь с необходимым оборудованием. Вам понадобятся: электросчетчик, автоматический выключатель, разъемы, кабели, гофрированные трубы и другие компоненты. Обратитесь к специалистам или изучите необходимые материалы, чтобы правильно подобрать и купить все необходимое оборудование.
3. Составьте план размещения электрооборудования: перед подключением, составьте план размещения электросчетчика, автоматов и других элементов электрооборудования в гараже. Учтите требования и нормы безопасности, а также удобство эксплуатации. Разместите оборудование таким образом, чтобы оно не загораживало проходы и было легко доступно для обслуживания.
4. Проведите грунтовые работы: перед установкой и подключением электрооборудования, проведите необходимые грунтовые работы. Если необходимо, установите стойки или подставки для крепления электросчетчика и автоматов. Убедитесь в надежности и устойчивости установки оборудования.
5. Подготовьте необходимые документы: перед подключением, убедитесь, что у вас есть все необходимые документы. Обычно для подключения электросчетчика требуется договор с энергоснабжающей компанией, технические условия и другие документы. Ознакомьтесь с требованиями вашей энергоснабжающей компании и подготовьте все необходимые документы заранее.
Выбираем счетчик для гаража
От правильно подобранного прибора учета и другого оборудования зависит безопасная эксплуатация электрооборудования в боксе. Выбор счетчика в гараж зависит от следующих условий:
- Какое электрооборудование предполагается использовать;
- На какое напряжение оно рассчитано – однофазное или трехфазное. Имеется ли в обществе возможность подведения трехфазного напряжения;
- Рассчитывается мощность установленного оборудования.
Собственник должен определиться с видом прибора. Предпочтение отдается недорогим однотарифным устройствам. Владельцы гаражей редко сидят там в вечернее и ночное время. Поэтому нет необходимости приобретать дорогие многотарифные счетчики.

Тип
Промышленностью выпускается несколько типов электросчетчиков для учета электроэнергии. Они подразделяются не только по видам крепления, условиям эксплуатации,но и конструктивно.
До недавнего времени выпускались индукционные приборы. Они простые и недорогие. Могут работать при низких температурах. Но при этом имеют высокую погрешность измерения.
Электронные устройства позволяют контролировать потребляемое электричество с небольшими погрешностями.Но не все производители выпускают приборы, работающие при низких температурах.
Трехфазные счетчики применяются при наличии трехфазного оборудования и возможности его подключения к гаражу. Прибор выбирают с учетом потребляемого тока и одновременной работы оборудования. От этого зависит надежность и долговечность прибора учета.
Конструкция
Индукционнный
Индукционный счетчик представляет собой две катушки. Одна токовая, а ко второй подводится напряжение. Между ними имеется зазор. В зазоре расположен алюминиевый диск, закрепленный в подшипниках скольжения. На оси диска смонтирована червячная пара, соединенная с механическим счетчиком.
При подключении нагрузки возникают вихревые токи, которые заставляют вращаться алюминиевый диск. Вращение передается на механический счетчик, который подсчитывает количество потребленного электричества.
Электросчетчик отличается простотой конструкции, надежностью и долговечностью. К недостаткам можно отнести большую погрешность измерения – до 2%.

Электронный
Современные электронные приборы используют преобразование аналоговых сигналов в цифровые. Для этого применяются специальные датчики импульсов. Они с помощью трансформаторов подключаются к электросети.
Цифровой сигнал поступает на микроконтроллер, который производит подсчет потребленного электричества. Данные отображаются на цифровом дисплее. Такие приборы имеют высокий класс точности 0,5%. Позволяют накапливать и передавать данные по специальным каналам связи.
Трехфазные электросчетчики имеют аналогичное устройство. Наибольшее распространение получили электронные приборы. Они надежны, имеют небольшие размеры, интегрируются в автоматизированные системы учета, некоторые модели могут поддерживать однофазный учет.

От каких факторов зависит выбор счетчика
Выбор электросчетчика следует начать с типа устройства. Изучить инструкцию и подобрать необходимую модель.
После чего выбирают подходящий счетчик в гараж по параметрам:
Рассчитывают максимальный ток потребления. Обычно достаточно 10-50 А. Если предполагается установка металлорежущего станка и другого энергоемкого оборудования, то электросчетчик должен выдерживать нагрузку в 100 А. Но прежде чем монтировать такое оборудование, рекомендуется уточнить параметры подводящей сети. Эту информацию можно получить в электросетях, обслуживающих ГСК;
Установка металлорежущего оборудования предполагает подведение трехфазного питания. Поэтому в правлении кооператива уточняют возможность подведения необходимой линии;
Определяются с характеристиками прибора, подбирают подходящий тип. От дополнительных опций зависит стоимость устройства. На надежность и долговечность цена не влияет. Не стоит в гараж приобретать многотарифные приборы, которые имеют дополнительные опции
Они при эксплуатации гаража, скорее всего, не пригодятся;
При замене вышедшего из строя счетчика на новый обращают внимание на требования к монтажу. Не каждый счетчик можно смонтировать на ДИН рейку;
Для того чтобы определить, какой счетчик электроэнергии лучше поставить, учитывают класс точности прибора. Он не должен превышать 2%
В противном случае его не примут в эксплуатацию контролирующие органы.
Он не должен превышать 2%. В противном случае его не примут в эксплуатацию контролирующие органы.
Постановление правительства рф о счетчиках электричества в гск
Начало судебного разбирательствам положила жалоба, поступившая в УФАС (Управление Федеральной Антимонопольной Службы) от местного жителя. Он счёл незаконными требования энергоснабжающей организации, относительно замены электросчетчика в его частном жилом доме. Организация сама согласилась заменить счетчик, но только при условии, что он будет установлен на фасаде дома.
Кто несёт затраты Закон устанавливает, за чей счет приобретаются, монтируются и содержатся счетчики учета электроэнергии — за счёт средств балансовых держателей:
Затраты по приборам, установленным в квартире или выведенным на лестничную площадку, несут собственники квартир.
Правила и основные требования
Существующие правила электроснабжения гаража направлены на обеспечение пожарной безопасности, взрывоопасности и уменьшения вероятности попадания человека под воздействие опасного электрического тока.
Среди основных правил и требований к электроснабжению гаража и выполнению разводки относятся:
- электроэнергия, получаемая от поставщика, обязательно должна учитываться, то есть проходить через узаконенный элемент учёта – счётчик;
- электрическая проводка внутри гаража должна правильно быть реализована двумя способами: открытым (в гофре) и закрытым (в штробах);
- согласно ПУЭ (правил устройства электроустановок) в помещениях с агрессивной средой, имеющих возможность воспламенения, взрыва топлива, горюче-смазочных материалов должны быть установлены автоматические выключатели, ограничивающие ток, защищающие от перегрева проводки в случае короткого замыкания;

- выполняется разделение силовых и осветительных сетей с возможностью реализации дежурного (аварийного освещения);
- для переносок, освещения подвала (смотровых ям) и удлинителей применяется пониженное напряжение с гальванической развязкой меньше 42 вольт, чаще всего оно адаптировано под распространённые лампы с номинальным напряжением 36 или 12 вольт;
- проводка должна быть рассчитана по току, который напрямую зависит от мощности электрооборудования и используемого инструмента.
Ознакомившись с этими правилами и требованиями, становится понятно, что выполнить проводку своими руками возможно, для этого понадобится лишь стандартный набор электромонтажных инструментов, кабельная продукция.
Подключаем электросчетчик в гараже: пошаговый алгоритм

Одна из проблем взаимоотношения собственников в гаражных кооперативах — конфликты при оплате электроэнергии. ГСК оплачивает электричество, которое потребило общество. Члены кооператива вносят плату бухгалтеру непосредственно за то количество, которое они потребили.
Разница делится поровну на всех членов и оплачивается отдельно или учитывается в членских взносах. Если в ГСК происходит кража электричества, то остальным собственникам приходиться ее покрывать, а это никому не нравится.
Выходом из создавшегося положения может стать строгий учет. Для этого нужно, чтобы каждый собственник установил электросчетчик в гараж.
Монтаж проводки
Пошаговая инструкция по монтажу проводки в гараже включает в себя несколько пунктов, каждый из которых посвящен отдельному виду операций. Все они проводятся в определенной последовательности и начинаются с подготовительных мероприятий.
Пошаговый план содержит следующие обязательные пункты:
- Разметка трасс прокладки кабельных жгутов.
- Проделывание штробов (если электропроводку решено развести скрытым способом в толще стен).
- Обустройство ниш для установки розеток и выключателей.
Отступы при разметке трассы электропроводки
От розеток и выключателей трасса намечается строго вертикально вверх, где под самым потолком устанавливается распределительная коробка. Это позволит в будущем учитывать предполагаемое место прокладки проводов и при необходимости сверления не повредить их.
Если в помещении проложены отопительные трубы – трассы проводки должны располагаться на удалении от них не менее, чем 25 см. Места под розетки намечаются на расстоянии примерно 0,3 метра от пола, а под выключатели – порядка 1,0 метра. Одновременно с этим выдерживается удаление проводов и мест монтажа электроустановочных изделий от косяков дверей и рам окон (оно не должно быть менее 10-15 см). В отличие от жилых квартир, в гаражах выключатели устанавливаются в районе гаражных ворот или калитки. Глубина штробов выбирается в зависимости от толщины кабеля или проводного жгута (согласно ПУЭ этот показатель не должен превышать 2,5 см).
Различные крепежные изделия для кабеля или провода представлены на фото ниже:
- Хомут-стяжка, универсальный крепежный элемент для фиксации проводников
- Стяжка предназначена для крепления кабеля на бетонных и кирпичных основаниях
- Скоба металлическая для крепления кабеля
- Скоба пластиковая для крепления кабеля
- Изолятор электрический для крепления ретро проводки
- Дюбель стяжка для крепления проводниковой или кабельной продукции
- Дюбель-хомут для крепления плоского и круглого кабеля
- Самодельный крепеж из стальной ленты
- Самодельный крепеж из кусков провода
- Клипсы-пластиковые для крепления круглого кабеля или гофрированной трубы
- Пластиковый кабель-канал
Ввод силового кабеля и монтаж электрощита
Если капитальный гараж стоит отдельно от дома – силовой кабель подводится к нему по воздуху (на опорных столбах).
Требования к трассе проводки воздушной линии и ввод в здание.
Требования к трассе проводки воздушной линии выглядят так:
- Высота протяжки проводов СИП над проезжей частью – не менее 6 метров.
- Их удаление от земли на участке пешеходной зоны – 3,74 метра.
- Высота расположения точки ввода в гаражное строение – не ниже 2,75 метра.
Воздушный и подземный ввод силового кабеля в гаражный бокс. В кооперативных объединениях часть работ, связанную с подводкой нуля и фазы, берет на себя местная администрация. В этом случае ввод кабеля питания осуществляется от общей линии с наружной стены гаражных боксов.
Подключение щита учета к линии электропередач и ввод электропитания помещение гаража смотрите на видео:
Коммутационные элементы вводного устройства размещаются в электрическом щитке, навешанном на стене строения недалеко от входа. В шкафу размещается следующее коммутационное и защитное оборудование:
- Рубильник (вводный автомат).
- Счетчик учета.
- Линейные автоматические устройства.
- УЗО и шина заземления.
Здесь же может быть установлен самодельный или покупной понижающий трансформатор. Схема электрощита для гаража со счетчиком электрической энергииСхема электрического щита в гараже без счетчика. На схеме электрического щитка указываются марка и тип кабеля, соединяющего все эти элементы. Возможны два варианта схемных решений для гаражей:
- В первом случае в помещении не предусмотрена смотровая яма.
- Во втором варианте исполнения придется заложить специальный трансформатор, обеспечивающий питанием 12 или 36 Вольт переносную лампу и светильники в смотровой яме.
Внутренняя разводка и освещение смотровой ямы
Внутренний монтаж электропроводки выполняется либо скрытым (в штробах), либо открытым способом – в металлическом рукаве, кабель-канале или гофре.
Освещение смотровой ямы необходимо выполнить светильниками с пониженным напряжением на 12, 24 или 36 вольт, в зависимости от приобретенного вами понижающего трансформатора. В качестве источников света нередко применяются светодиодные ленты, рассчитанные на 12 Вольт. В этом случае питание можно брать от АКБ, поскольку потребление у светодиодных элементов мизерное.




































