Основные этапы установки
Проводя работу по установке вашего дымохода через стену, нужно помнить важные правила и этапы монтажа. Следует придерживаться последовательности, чтобы ничего не забыть и сделать все правильно. Итак, установить дымоход, этапы:
Проверьте, нет ли в местах прохода сквозь стену коммуникаций. Произведите разметку, и подготовьте нужного диаметра отверстие. Установите «патрубок», который тщательно герметизируете и тепло изолируете от стены, специальным огнестойким материалом. Поверх можно установить специальный кожух. Труба стыкуется с котлом, печкой с помощью трех конечного «колена»
Нижняя часть обязательна, с помощью этого выхода можно будет проводить чистку
Наружный участок второго «колена» за стеной, нужно закрепить, важно помнить, что горизонтальные плоскости не должны превышать один метр
Дальше производится монтаж вертикальной части Обращайте внимание на крепление, используйте только качественные крепежные элементы
 Схема дымохода
 Схема дымохода
После возведения всей вертикальной части, нужно знать, как установить оголовок, так называемую конусообразную крышку, которая будет способствовать улучшению тяги и защите канала от засорения. В зависимости от типа канала, вам понадобится утеплить и изолировать пространство между стеной и трубой.
Как устроен дымоход
Дымоход имеет стандартное устройство для большинства видов буржуек, которые являются переносной системой отопления. Труба с выводом на дымоход закрепляется в задней части печки. На этот вывод закрепляется секция трубного типа. Устройство имеет разборные секции, которые удобно заменять. Количество секций зависит только от точки вывода продуктов горения из помещения.
Для вывода через стену или через потолок потребуется всего две-три секции. Если вывод делается через крышу или трубу необходимо протянуть через весь гараж, то количество секций значительно увеличивается. Вывод, включаемый в конструкцию печки, осуществляет теплообмен и отсекается от остальной части трубы с помощью заслонки или заслонок.
Принцип работы
При горении твердого топлива, ряд продуктов выхода, в том числе и дым, удаляются. В печку поступает свежий воздух с кислородом. Для сохранения тепла устройство перекрывается в нижней части заслонкой. Такой принцип работы регламентирован для всех отопительных систем малого типа. С помощью дымоудаления горение не прекращается, а помещение очищается от остаточных продуктов.
Виды и конструкции
Есть нескольких видов устройства. При этом, конструкция различна. Чаще всего все зависит от материалов, которые применяются для устройства отвода. Основные типы по материалам:
- из кирпича;
- цельная труба;
- сегментное трубчатое обустройство.
Часто можно встретить смешанные варианты в местах с полноценной установкой буржуйки без дальнейших переносок. В таких местах часто используют цельные трубы или кирпичную кладку. Также есть вариант с использованием металлической трубы, которая обкладывается кирпичом.
Сегментные трубы применяются в местах, которые нуждаются в переносном варианте печки, а также там, где сложно обустроить прямой выход.
Сам дымоход по своим конструкционным особенностям может быть прямым, коленным или угловым. Для коленного варианта, который считается одним из наиболее теплых, так как сохраняет тепло более длительный период, используется оцинковка и черный металл.
Также есть самодельные и покупные варианты различного типа. Главным требованием будет выполнение всего регламента установки и безопасности.
Категории дымоходов делятся на несколько видов по определенным характеристикам:
- материал;
- конструкционные особенности;
- покупной или самодельный вариант.
Читайте так же: Как спрятать трубы в туалете с ванной совмещенном
Правильный выбор регламентируется только совокупностью дымохода с самой печкой, а также с параметрами помещения.
Модернизация буржуйки
Установка буржуйки в гаражном помещении подарит тепло и комфорт. Но эффективность этой печи можно увеличить на 10-15%. Вот перечень технических решений:
- Установка кирпичной рубашки с задней и боковых сторон – об этом мы уже говорили. Толщина составляет полкирпича;
- Установка дымохода с длинной горизонтальной секцией – она сохранит часть тепла, улетающего в трубу. Ставим печку в одном углу, протягиваем дымоход к другому, после чего выводим наверх;
- Обшиваем стены стальными листами – они отразят инфракрасное излучение обратно в помещение;
- Установка стальной рубашки вокруг печи – окружаем буржуйку стальными листами, располагающимися на расстоянии 40-50 мм от её стенок. Такое решение образует конвектор, заставляющий воздух циркулировать по гаражу.
Строительные нормативы
Строительных нормативов имеется несколько. Они регламентируют правильную монтажную работу и конструкционные особенности.
Нормы:
- любые соединительные элементы труб расположены в 30 сантиметрах от потолка или стены;
- регламент сечения по объему равен установленной пропорции в 1 на 2.7;
- дина тубы при сегментном (разборном) варианте составляет не менее метра при прямом соединении;
- толщина металлических или жестяных труб не должна быть меньше 0,5 миллиметров, в противном случае стенка может быстро перегореть;
- нижний прямой участок дымохода должен быть не меньше 0.6 метра в длину.
Главным требованием является удаление состыковок от стен и перегородок, так как этого требует регламент пожаробезопасности.
https://youtube.com/watch?v=GqNRrJpJGWE
Рекомендации по монтажу
Перед заготовкой материалов сделайте чертеж дымохода и проставьте размеры всех участков – так легче подобрать трубы нужной длины. Не забудьте о крепеже – кронштейнах и хомутах, а также купите уплотнительные средства для стыков – печной герметик и асбестовый шнур.
Как правильно делаются приставные дымоходы буржуек:
- Начните с пробивки (прорезки) сквозного отверстия. В кирпичной стене его диаметр равен наружному размеру утепленной трубы. В деревянной вырезается квадратный проем, чьи габариты на 760 мм больше живого сечения канала (38 см в каждую сторону).
- Смонтируйте вертикальный участок, установив тройник и сборник конденсата напротив готового отверстия. Стеновые кронштейны и хомуты крепления ставятся с шагом 1,5—2 м, стыки обрабатываются герметиком.
- Установите печь на расстоянии не менее 50 см от горючих конструкций и подключите горизонтальный участок из одностенной трубы. Ее тоже отодвиньте от сгораемых поверхностей на 500 мм или защитите дерево листом железа, плитой минерита и так далее.
- Соедините внутренний участок с наружным. В стене из кирпича труба пропускается через стальную гильзу с уплотнением, в деревянной обрамляется кровельным железом с каменной ватой внутри. Не допускайте, чтобы стык оказался в толще стены.

Прокладка внутреннего дымохода через перекрытие выполняется аналогичным образом. Разница в том, что конденсатосборник располагается внутри помещения, а проход через крышу герметизируется с помощью специальной дымоходной накладки (мастер – флеш).
Специфика работы буржуек с низким КПД позволяет уменьшить до 3,5—4 м общую высоту трубы, выводимой над плоской кровлей одноэтажного гаража. Зона ветрового подпора отсутствует, поскольку нет конька и скатов, а нагрев отходящих газов до высокой температуры создает достаточную естественную тягу. Как это реализовано в гараже, смотрите на видео:
Чистка и ремонт дымохода
Способы и правила расчета
Правила расчета имеют свои допуски, их надо знать, перед тем как рассчитать диаметр трубы. Имеется несколько методов расчета, они зависят от того кем и для каких условий будут они будут выполниться:
- Высокоточные, применяются при производстве котлов и выполняются конструкторскими отделами заводов-изготовителейоборудования.
- Ориентировочные расчеты, выполняемые не специалистами на основании графиков, диаграмм и таблиц.
- Автоматические, получаемые на базе онлайн-расчета.
Под точными вычислениями понимаются такие, в которых учтено множество факторов: температура уходящих газов на выходе из котла и из трубы, скорости перемещения газов в топке и на участках системы дымоотведения, потере давления газов по движению в газовоздушном тракте. Большинство таких данных параметров получены экспериментальным путем производителями котельного оборудования и зависят марки котла, поэтому данный вид расчета, практически, не доступен для пользователей.
В отношении ориентировочного метода, перед тем как рассчитать диаметр дымохода, во внимание берутся характеристики объема топочной камеры. Для определения геометрических параметров труб, существуют различные таблицы и графики. Например, с габаритами топки 500Х400 мм, потребуется круглая труба от 180 до190 мм
Например, с габаритами топки 500Х400 мм, потребуется круглая труба от 180 до190 мм
Например, с габаритами топки 500Х400 мм, потребуется круглая труба от 180 до190 мм.
Третий метод базируется на использовании специальных онлайн-калькуляторов. Они учитывают практически все важные параметры, поэтому выдают очень точные результаты. Для того чтобы ими воспользоваться оператору потребуется знать много отправных данных.
Точный метод
Точные расчеты основываются на достаточно трудоемкой математической базе. Для этого потребуется знать основополагающие геометрические характеристики трубы, теплогенератора и используемого топлива. Для такого расчета можно использовать следующий метод определения диаметра трубы круглого сечения для дровяной печи.
Входные параметры расчета:
- Показания Т газов на выходе из котла t – 151 С.
- Усредненная скорость движения уходящих газов – 2.0 м/с.
- Расчетная длина трубы, какая стандартно применяется для печек – 5 м.
- Масса сжигаемых дров B= 10.0 кг/час.
На базе этих данных вначале вычисляют объем уходящих газов:
V=[B*V*(1+t/272)]/3600 м3/сек
Где V – объем воздушных масс, который необходимы для полноты сжигания топлива – 10 м3/кг.
V=10*10*1.55/3600=0,043 м3/сек
d=√4*V/3,14*2=0,166 мм
Шведский метод
Расчет дымовой трубы часто выполняют по этому методу, хотя он более точен при расчете дымоотводящих систем каминов с открытыми топками.
 
По данному способу для расчета применяется размер топочной камеры и его газовый объем. Например, для камина с порталом в высоту 8 кладок в высоту и 3 кладки в ширину, что соответствует размеру F= 75.0 х 58.0 см = 4350 см2. Вычисляют отношение F/f = 7.6% и определяют по графику, что прямоугольный дымоход с таким размером работать не сможет, возможно, применение конструкции круглого сечения, однако длина ее должна быть не менее 17 метров, что не реально высоко. В этом случае выбор лучше производить от обратного, по минимально необходимому сечению диаметра. Его просто найти по высоте здания, например, для 2-х этажного дома, высота от камина до колпака дымохода – 11 м.
Соотношение F/f= 8.4%. f = Fх 0.085 = 370.0 см2
D= √4 х 370 / 3,14 = 21.7 см.
Разнообразие вариантов изготовления
Домашние умельцы стремятся не только изготовить полезную вещь, но и сделать это с максимальной экономией, используя имеющиеся в наличии предметы и материалы, Каждый хозяин исходит из того, что в данный момент есть под рукой, а также из своих умений; распространение получили следующие модели:
- Из металла. Для изготовления используют металлы, мало подверженные коррозии, сталь или чугун. Из листового металла собирают прямоугольную конструкцию с топкой, зольником и трубой подходящего диаметра. Способ подходит для людей с опытом сварочных работ.
- Из баллона или бочки. Печка-буржуйка из газового баллона – распространенная конструкция, популярная и востребованная, хотя и небольшая по размеру. Изделие из бочки обладает похожей конструкцией, материал входит в категорию легкодоступных и простых в обработке.
- Из автомобильных дисков. Дешевая конструкция (если использовать старые ненужные диски) получается термостойкой и прочной, с продолжительным ресурсом эксплуатации. У буржуйки из дисков есть и особенности: ей нужен высокий дымоотвод, а еще регулярная чистка.
 Буржуйка из двух газовых баллонов
Буржуйка из двух газовых баллонов
Из бойлера. В руках домашних умельцев старый водонагреватель, который жалко просто выбросить, превращается в полноценную печь-буржуйку. Чем старше отслуживший прибор, тем лучше: у последних моделей металл тоньше, что сокращает срок службы. Особенность изготовления: чтобы извлечь лишние детали, придется потрудиться.
Для растопки буржуйки используют разное топливо, какое есть под рукой: дрова, уголь, торф, щепки и другие отходы (например, обрезки ДСП). Однако при выборе топлива нужно учитывать некоторые особенности, например:
- Материалы, дающие высокотемпературное пламя (например, уголь) лучше использовать для чугунной печки. Она весит больше, и термостойкость у нее выше, следовательно, прослужит долго, тогда как изделие из листовой стали быстро прогорит в таких условиях.
- Популярный вариант среди автовладельцев – буржуйка на отработке (на отработанном масле). Агрегат устанавливается в гараже и выглядит экзотично для печной конструкции: две емкости, соединенные трубой и дополненные дымоходом.
 Схема буржуйки из бидона
Схема буржуйки из бидона
Дешевый вариант, не предъявляющий к топливу особых требований, печь-бужуйка на опилках, по конструкции – печь длительного горения. Для изготовления используют две бочки, помещенные одна в другую (например, на 100 и 200 л). Минус: опилки нельзя добавлять в процессе горения.
Прямоугольная буржуйка из профильной трубы
Этот вариант буржуйки, изготавливаемой своими руками по чертежу самый эффективный. Буржуйка этого варианта, как предыдущая модель прямоугольной формы, но стенки у неё состоят из сварной профильной трубы прямоугольного сечения. Воздух будет проходить между трубы и больше нагреваться, за счет чего повысим эффективность печи.
Приступаем к работам:
- Профильную трубу разрезаем на части длиной сорок сантиметров. Необходимо столько кусков, чтобы сварить их и получить выбранную длину нижней и верхней части. Кусочки трубы кладём друг к другу. С одной стороны, проходим сплошным швом, а с другой делаем только прихватки в трёх местах.
- Аналогичными действиями делаем вторую стенку и заднюю стенку. По завершении работ по изготовлению стенок из профильной трубы, собираем форму буржуйки. При этом сплошные швы должны размещаться в середине устройства.
- На верхней части с помощью трубы для дымохода отмечаем его расположение. Вырезаем окружность. К нижней и верхней части передней стороны привариваем уголок. Немного выше нижнего уголка привариваем кусочек профильной трубы такого же сечения, как и стены.
- Замеряем переднюю часть, по полученным размерам вырезаем ее из листового металла. В том месте, где приварена труба, разрезаем заготовку на две части. Прикладываем верхнюю часть на свое место, фиксируем две петли.
- Нижний кусочек небольшой толщины, оставляем на своем месте. Примерно посередине днища фиксируем кусочек уголка, как это показано на изображении. К этой же части привариваем небольшую ручку. Ручку фиксируем и на дверце камеры горения.
- В трубе просверливаем сквозное отверстие диаметром, подходящим к любой резьбе. Подготавливаем круг, который будет подходить по диаметру трубы, и привариваем его в середине трубы к резьбе.
- Замеряем длину топки. Отрезаем прямоугольную трубу по размерам, навариваем на поверхность арматуру не меньше 14мм. Привариваем небольшие ножки и устанавливаем их в середину. Приставляем к верхней части к вырезанному отверстию трубу и обвариваем её по кругу сплошным швом. При необходимости печь можно покрасить термостойкой эмалью.
Буржуйка готова к использованию. Как показало наше тестирование при температуре минус один градус гараж в 24 квадрата за полчаса прогревается до 19 градусов.
Регулярный уход за дымоходом
Дымоход нуждается в регулярном уходе, эксплуатировать его надо бережно. Тогда он прослужит долго, будет работать без сбоев. В особом внимании нуждается наружная дымоходная труба
Ее обязательно регулярно проверяют: важно выяснить, не появились ли дефекты, например, трещины, коррозия, прогоревшие участки. Такой технический осмотр желательно проводить не реже одного раза на протяжении года, а лучше чаще. Специалисты отмечают, что трубу также необходимо хотя бы один раз в год тщательно прочищать
Оптимальный вариант – сжечь для этого в топке специальные средства. Они в процессе сжигания эффективно устраняют все продукты сгорания. Есть и проверенный традиционный метод: в печке сжигают несколько поленьев из осины. Они создают более высокую температуру горения, благодаря чему сажа устраняется из трубы
Специалисты отмечают, что трубу также необходимо хотя бы один раз в год тщательно прочищать. Оптимальный вариант – сжечь для этого в топке специальные средства. Они в процессе сжигания эффективно устраняют все продукты сгорания. Есть и проверенный традиционный метод: в печке сжигают несколько поленьев из осины. Они создают более высокую температуру горения, благодаря чему сажа устраняется из трубы.
Запомните важный совет! Дымоход не является цельной, капитальной конструкцией. В связи с этим не стоит применять для его чистки механические инструменты, например, металлические ерши или гири. Нужны более бережные методы.
Простая печка с дымоходной трубой – отличный вариант для создания эффективной тепловой системы в гараже. Главное, построить правильно дымоход, а затем не забывать его проверять и обслуживать.
Этапы монтажа через стену
Достаточно простая процедура, но требующая соблюдения нескольких важных правил. Желательно иметь одного или двух людей в напарники, так как самостоятельно такая процедура дается очень тяжело.
Этапы монтажа через стену:
- Работы начинаются от отопительного устройства – для начала соединяем трубу и котел, после чего уже занимается монтажом конструкции.
- Первым делом чертим разметку, после чего занимаемся проделыванием отверстия с нужным диаметром под проходной патрубок.
- Теперь нужно установить патрубок, его расположение должно соответствовать сделанному ранее проему с последующей изоляцией его огнеупорным утеплителем (например, фольгированной минеральной ватой).
- Теперь стыкуем дымовую трубу с отопительным котлом. Необходимо соединить трехсекционное колено с тройником, используя переходной элемент.
- Остается лишь закрепить газоотводящую трубу на стене, соблюдая промежуток между элементами не более чем в два метра.
 Простая организация дымоотвода для буржуйки
Простая организация дымоотвода для буржуйки
Без предшествующего опыта вывести трубу может не удастся, поэтому нужно все переделывать снова (обязательно, нельзя оставлять все таким, каким оно быть не должно – это опасно!).
Буржуйки — проверенные и простые конструкции
Буржуйки — хит 20-х годов прошлого столетия. Тогда эти печки конкурировали с кирпичными и стояли везде, даже в квартирах. Позже, с появлением централизованного отопления, они утратили актуальность, но применяются в гаражах, на дачах, для обогрева подсобных или хозяйственных построек.

Из листового металла
Буржуйки из баллона, бочки или трубы
Наиболее подходящий материал для изготовления буржуйки для гаража — пропановые баллоны или труба с толстой стенкой. Подойдут и бочки, но надо искать не очень большого объема и с толстой стенкой. В любом варианте минимальная толщина стенки — 2-3 мм, оптимальная — 5 мм. Такая печка будет служить не один год.
По конструкции они бывают вертикальными и горизонтальными. Дровами удобнее топить горизонтальную — более длинные поленья влезают. Делать проще вытянутую вверх, но топка при этом имеет небольшие размеры, придется дрова пилить мелко.

Буржуйку для гаража можно сделать из баллона или трубы с толстой стенкой
Вертикальные
Сначала о том, как сделать вертикальную печь для гаража из баллона или трубы. Выбранный отрезок делите на две неравные части. Внизу меньшая — для сбора золы, выше — основная для закладки дров. Далее порядок работ такой:
- Вырезаем дверки. Внизу небольшую, вверху — солидных размеров. Отрезанные куски используем как дверки, так что их не выбрасываем.
- В выбранном месте привариваем колосники. Обычно это нарезанная на куски нужной длинны стальная арматура толщиной 12-16 мм. Шаг установки арматурин — около 2 см.

Как сделать колосники
 Привариваем дно если его нет.
 В крышке вырезаем отверстие под дымоход, привариваем полосу металла высотой около 7-10 см. Наружный диаметр полученного патрубка лучше сделать под стандартные дымоходы. Тогда с устройством дымовой трубы не будет проблем.
 Крышку с приваренным патрубком привариваем на место.
 К вырезанным кускам-дверкам с помощью сварки крепим запоры, петли и все это устанавливаем на место. Как правило, буржуйки негерметичны, так что уплотнители можно не делать. Но при желании по периметру дверок можно наварить полосу металла шириной в 1,5-2 см. Выступающая ее часть будет закрывать небольшую щель по периметру.
В общем и целом, это все. Осталось собрать дымоход и можно испытывать новую печку для гаража.
Горизонтальные
Если корпус расположен горизонтально, зольный ящик обычно приваривают снизу. Его можно сварить по требуемым размерам из листовой стали или использовать кусок швеллера подходящего размера. В той части корпуса, которая будет направлена вниз, проделывают отверстия. Лучше нарезать что-то типа колосников.

Как сделать буржуйку в гараж из газового баллона
Затем в верхней части корпуса делаем патрубок для дымохода. Для этого можно приварить отрезанный кусок от трубы подходящего диаметра. После того, как кусок трубы установлен и проверен шов, металл внутри кольца вырезают.
Далее можно сделать ножки. Лучше всего подойдут отрезки уголка, к которым снизу приделывают небольшие куски металла, чтобы стояли устойчиво.
Следующий шаг — установка дверок. На поддувало можно вырезать кусок металла, приделать петли и запор. Тут без особых проблем. Зазоры по краям не мешают — через них будет поступать воздух для горения.
Не возникнет сложностей и в том случае, если вы делаете дверку из металла — приварить петли не проблема. Только тут, для того чтобы была возможность хоть немного регулировать горение, дверку надо сделать немного больше — чтобы периметр проема был закрыт.

Как установить печное литье на металлическую печку
Проблематично установить печное литье. Вдруг кому-то захочется иметь не стальную дверку, а чугунную. Тогда надо из стального уголка сварить рамку, к ней болтами прикрепить литье, и всю эту конструкцию приварить к корпусу.
Из двух бочек
Все кто пользовался буржуйкой, знают, что от ее корпуса идет очень жесткое излучение. Часто стенки раскаляются до красного свечения. Тогда рядом с ней находится невозможно. Решается проблема интересной конструкцией: две бочки разного диаметра, вставлены одна в другую. Промежутки между стенками засыпаны галькой, перемешанной с песком глиной (прокалить на огне, засыпать только остывшим). В качестве топки выступает внутренняя бочка, а наружная — это только корпус.
Такая печка будет греться дольше. Она не сразу начнет отдавать тепло, но в гараже будет более комфортно и после того как топливо прогорит, она еще пару часов будет согревать помещение — отдавая накопленное в закладке тепло.
https://youtube.com/watch?v=pDQEBVWR0CQ
Особенности конструкции и принцип работы
Классическая буржуйка для дачи представляет собой металлический цилиндр или прямоугольную коробку на ножках. Она состоит из основных узлов:
- топка;
- колосниковая решетка;
- зольник;
- труба дымохода.
Устройство топки и зольника
Самой нижней частью является зольник, а над ним расположена колосниковая решетка, которая служит основой для закладки топлива. При сгорании дров образуется зола, которая просыпается через отверстия в нижний ящик. Конструкция зольника делается выдвижной, чтобы можно было извлекать отходы горения.
Зольник и топка имеют дверцы, которые предотвращают задымление помещения. Для регулировки интенсивности прохождения воздуха в дверцах делаются воздухозаборные отверстия. Они оборудуются задвижками, с помощью которых происходит регулирование воздушного потока.
Структура дымохода
Он представляет собой две составные части:
- теплообменную;
- выводящую.
Теплообменный участок располагается внутри корпуса. Его форма зависит от вида печи. Труба может быть изготовлена в виде коленного дымохода или «мешка».
В теплообменный дымоход вставляется выводящая труба. Она может присоединяться к уже существующему каналу дымохода либо выводится за пределы помещения. В начале трубы устанавливается заслонка, которую необходимо закрывать после окончания процесса горения.
Из чего можно сделать дымоход
Чтобы пользоваться буржуйкой, понадобится позаботиться об отведении дыма. Для этого предстоит соорудить дымоход, подобрав оптимальный материал.
Для проведения работ можно пригласить специалистов, а можно все сделать своими силами – тем более, что объем работ невелик.
Виды труб для дымохода
Для изготовления трубопровода для отведения дыма используют различные материалы. Изначально, в зависимости от материала изготовления, существует 2 варианта:
- Взять готовые трубы, изготовленные на заводе;
- Изготовить трубы из листов нержавейки или другого листового металла.
Самый дешевый способ – самостоятельно изготовить трубы
Здесь несомненное преимущество заключается в том, что труба будет нужного диаметра, что особенно важно для самодельных печек-буржуек
Для дымохода буржуйки можно самостоятельно изготовить не только обычные трубы, но и двойные – сэндвич-трубы. Для этого понадобится 2 трубы разного диаметра и жаропрочный утеплитель
Второе преимущество самодельных труб – стоимость. Для их изготовления можно использовать подручный материал, или приобрести металлические листы толщиной от 0,6 мм. А лучше в 1 мм.
Причем, можно сделать и утепленную трубу для дымохода, изготовив для этого из листов 2 трубы различного диаметра. Или же взять готовые металлические разного диаметра.
Помимо самостоятельного изготовления труб для дымохода, можно остановиться на более простом и быстром варианте – купить готовые трубы из нужного материала. Среди материалов наиболее распространены следующие:
Помимо таких вариантов рынок предлагает много других изделий. Так, можно встретить трубы из жаропрочного стекла, из которых вполне можно соорудить экзотический дымоход. Но это делают крайне редко – нужна сноровка для установки и соединения отдельных элементов конструкции между собой.
Для буржуйки нецелесообразно покупать дорогостоящие трубы. Чтобы изготовить дымоход достаточно купить металлические жаропрочные трубы и переходники для монтажа всей конструкции
Правильная труба для буржуйки
Чтобы сделать дымоход для буржуйки, не обязательно своими руками сооружать трубы из металлических листов. Для этого понадобится определенная сноровка и время. Ведь листы сначала нужно будет свернуть в трубку нужного диаметра, а затем плотно закрепить шов, используя заклепки и жаропрочный герметик. Гораздо проще и быстрее купить нужные изделия, произведенные на заводе.
Для сборки всей конструкции дымохода и плотного крепления ее отдельных составляющих нужно использовать жаропрочный герметик, который способен выдержать температуру от 1000 градусов по Цельсию
Что касается материала, то брать дешевые асбестоцементные трубы для этих целей не стоит – этот материал не выдержит, если температура в процессе топки поднимется выше 300 градусов Цельсия. Да и сама труба довольно тяжелая. Также она будет поглощать конденсат. А проделать отверстие для прочистки от сажи или удаления конденсата будет проблематично.
Из кирпича делать дымоход для буржуйки – неоправданно большие расходы. Во-первых, редко кто из домашних мастеров умеет делать правильную кладку. А во-вторых, это громоздкая конструкция, требующая дополнительно усилить фундамент. Буржуйка же – это временное отопительное оборудование.
Оптимально взять металлические трубы из нержавейки, а лучше, из легированной стали. Конструкция из такого материала способна прослужить в качестве дымохода 7-10 лет. Это при условии, что трубы достаточной толщины – 6-10 мм и более. Да и качество сборки всех элементов системы, выводящей дым, играет важную роль.
Еще одно несомненное преимущество металлических труб – их легкость. Небольшой вес позволяет в одиночку выполнить все работы по сооружению дымохода для буржуйки.
Галерея изображений Фото изКирпич – хороший материал для дымохода, но только не для буржуйки. Эта печка требует более простой и легкой конструкции для удаления дыма
Выбирая между асбестоцементной и металлической трубой следует отдать предпочтение последней – легированный металл способен прослужить около 10 лет
Длина дымохода и материал труб будет зависеть от типа топлива, которое предположительно будет сжигаться в топке. Если это отработанное масло, но об асбестовых трубах следует забыть
Для буржуйки, установленной в жилом помещении, следует особенно тщательно сооружать дымоход, следуя всем правилам безопасности
Кирпич для дымохода
Металлическая труба
Буржуйки на отработанном масле
Дымоход для буржуйки в помещении
Определившись с материалом будущего дымохода, можно приступать к покупке всех комплектующих и сооружению правильной и работоспособной конструкции.
Изготовление и монтаж конструкции: как сделать дымоотвод
Буржуйные печи отличаются простотой конструкции, поэтому для таких отопительных систем не стоит оборудовать кирпичный дымоход. Это дорогой и нерентабельный вариант для подобного вида печей. Можно сделать своими руками дымоходную трубу для буржуйки из асбестоцементных труб. Однако такие дымоотводящие каналы имеют ряд недостатков:
- Низкая стойкость к высоким температурам. Максимально допустимая температура внутри трубы – 280С.
- Ввиду шероховатой поверхности внутренних стенок трубы, возникает проблема с креозотными нарастаниями продуктов горения.
- Риск воспламенения. Из-за низких температурных сопротивлений и скапливаемой сажи может произойти возгорание трубы.
- Подверженность кислотной коррозии. В результате горения топливных продуктов выделяются окислы, которые разрушают внутренние стенки конструкции.
- Плохая сопротивляемость конденсату. Впоследствии возникает зловонный запах сырости и пятна в области отводящего канала.
Дымоход для буржуйки с затвором
Буржуйная печь отличается компактными размерами, следовательно, лучший материал для монтажа дымохода – металлические трубы.
Самостоятельная установка дымохода из черных металлов производится при строгом соблюдении правил и мер безопасности. Для заваривания стыков отдельных элементов металлического дымохода понадобиться такой инструмент, как сварочный аппарат.
Поэтапная установка дымохода 100, 110 мм через стену: как рассчитать диаметр трубы
Для монтажа дымохода к буржуйке производим следующие действия:
- В первую очередь необходимо посчитать диаметр, который подойдет для подключения к задней стенке печи.
- Если буржуйка расположена вне помещения, то вырезаем в стенке соответствующего диаметра отверстие и привариваем дымоотвод с одним коленом или подключаем через патрубок.
- Для монтажа в пределах помещения вначале подготавливаем аксонометрию будущего дымохода (проект или чертеж на бумаге). Собираем конструкцию и затем подключаем ее через патрубок к буржуйке.
- В случае если буржуйная печь располагается на кухне, где есть система вытяжки, то используется специальная труба гофра, которая подключается через тройник.
- Самый важный этап – прохождение потолочного перекрытия. Между потолком и чердаком устанавливается специальный проходной стакан, размер которого должен быть больше, чем сечение потолка. Чтобы исключить риск возгорания и негативного температурного воздействия, используют асбестовый шнур для печей, которым обволакивается труба в перекрытии.
- Используем термостойкий герметик для печей, чтобы предварительно смазать каждый стык и места прилегания к стене.
- В конце можно установить искрогаситель на выхлопную трубу. Это устройство обезопасит близлежащие легко воспламеняемые материалы.
Рекомендации по монтажу
Перед заготовкой материалов сделайте чертеж дымохода и проставьте размеры всех участков – так легче подобрать трубы нужной длины. Не забудьте о крепеже – кронштейнах и хомутах, а также купите уплотнительные средства для стыков – печной герметик и асбестовый шнур.
Как правильно делаются приставные дымоходы буржуек:
- Начните с пробивки (прорезки) сквозного отверстия. В кирпичной стене его диаметр равен наружному размеру утепленной трубы. В деревянной вырезается квадратный проем, чьи габариты на 760 мм больше живого сечения канала (38 см в каждую сторону).
- Смонтируйте вертикальный участок, установив тройник и сборник конденсата напротив готового отверстия. Стеновые кронштейны и хомуты крепления ставятся с шагом 1,5—2 м, стыки обрабатываются герметиком.
- Установите печь на расстоянии не менее 50 см от горючих конструкций и подключите горизонтальный участок из одностенной трубы. Ее тоже отодвиньте от сгораемых поверхностей на 500 мм или защитите дерево листом железа, плитой минерита и так далее.
- Соедините внутренний участок с наружным. В стене из кирпича труба пропускается через стальную гильзу с уплотнением, в деревянной обрамляется кровельным железом с каменной ватой внутри. Не допускайте, чтобы стык оказался в толще стены.
Прокладка внутреннего дымохода через перекрытие выполняется аналогичным образом. Разница в том, что конденсатосборник располагается внутри помещения, а проход через крышу герметизируется с помощью специальной дымоходной накладки (мастер – флеш).
Специфика работы буржуек с низким КПД позволяет уменьшить до 3,5—4 м общую высоту трубы, выводимой над плоской кровлей одноэтажного гаража. Зона ветрового подпора отсутствует, поскольку нет конька и скатов, а нагрев отходящих газов до высокой температуры создает достаточную естественную тягу. Как это реализовано в гараже, смотрите на видео:
Виды дымоходов
Выделяют три типа конструкции дымоходов для буржуек:
Максимально эффективный для обогрева. Это труба, которая выходит из печи, поднимается к потолку, но не доходит до него, поворачивая к стене. Через стену канал выходит наружу. Труба внутри гаража играет роль активного нагревателя – батареи. Это улучшает теплообмен в гараже при сокращении расхода топлива.
 С выходом около потолка
С выходом около потолка
Конструкция схожа с первым вариантом. Отличие только в том, что дымоход будет выходить через крышу. Способ тоже эффективный, но понадобится организация дополнительных работ для создания герметичности. Для этого заделываются все щели жаростойким составом герметика.
 Через потолок
Через потолок
Вывод наружу через стену сразу, когда труба выходит из печи. Данный метод максимально пожаробезопасный, но не так эффективен в отличие от первого.
 Через стену на уровне печи
Через стену на уровне печи
Реже всего реализуется способ выведения дымохода через крышу. А самый популярный – первый метод.
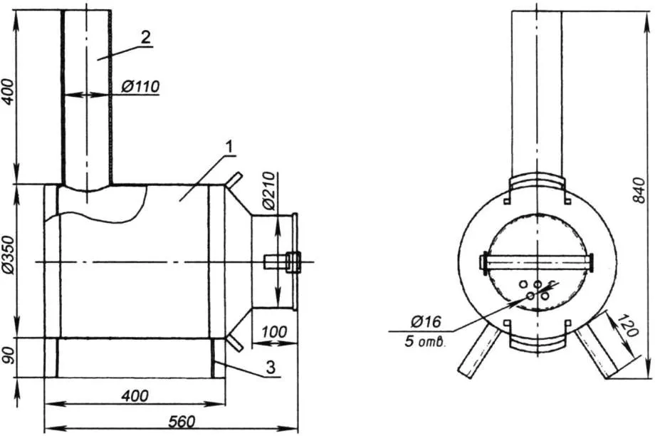
 Примерная схема
Примерная схема


































